Boost your automation precision with the RHS-PJ08000 Automatic Pneumatic Self-Centering Vise.
Built for modern CNC and EDM automation, this vise delivers micron-level repeatability (±0.01 mm) and fully sealed performance against coolant, chips, and debris.
Its compact, rigid body and balanced clamping force make it ideal for 5-axis machining and unattended robotic loading setups.
The RHS-PJ08000 supports multiple jaw configurations for versatile part sizes — from soft jaws for delicate work to hardened jaws for high-grip operations.
| Specification | Details |
|---|---|
| RHS Part Number | RHS-PJ08000 |
| Type | Automatic Pneumatic Self-Centering Vise |
| Stroke | 5 mm |
| Repeatability | ±0.01 mm |
| Actuation | Pneumatic (Hydraulic version optional) |
| Power Feed | Side or bottom feed |
| Material | Hardened and ground alloy steel |
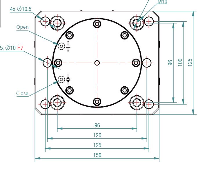
| Mounting Interface | 150 × 126 mm with Ø10.5 mm holes |
| Application | EDM, CNC, and automated machining |
| Compatible Jaw Sets | RHS-PJ08001 / RHS-PJ08002 / RHS-PJ08003 / RHS-PJ08004 |

248-250-8937
519-999-9723
+1 844 686-0671



Reviews
There are no reviews yet.